联系我们
|
微信
微信号:13951628780
扫一扫 联系我们
您好,欢迎访问这里是网站首页官网!主营:锂电池回收-电动车-电动汽车-叉车-铅酸蓄电池回收。泰州-常州-苏州-无锡-南京-上海
13951628780
(微信同号)
网站首页
关于环泰
新闻资讯
公司动态
行业资讯
常见问答
锂电池回收
报废三元锂电芯
报废磷酸铁锂电芯
报废动力锂电池
库存A、B、C品电芯
报废手机及笔记本电脑电池
锂电池梯次利用
铅酸蓄电池回收
电动自行车电池
通信机房电池
汽车启动电池
电动叉车电池
EVF新能源电池
联系环泰
公司动态
公司动态
行业资讯
常见问答
推荐产品
三元锂电芯
磷酸铁锂电芯
动力锂电池
库存电芯
手机及笔记本电脑电池
联系我们
邮箱:
tzhuantai888@163.com
电话:
13951628780(微信同号)
地址:
泰州市海陵区九龙镇龙园路68号1幢
在线咨询
首页
>
公司动态
公司动态
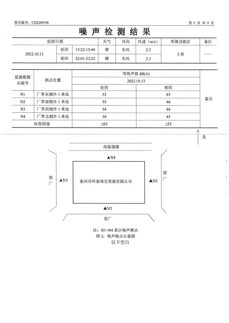
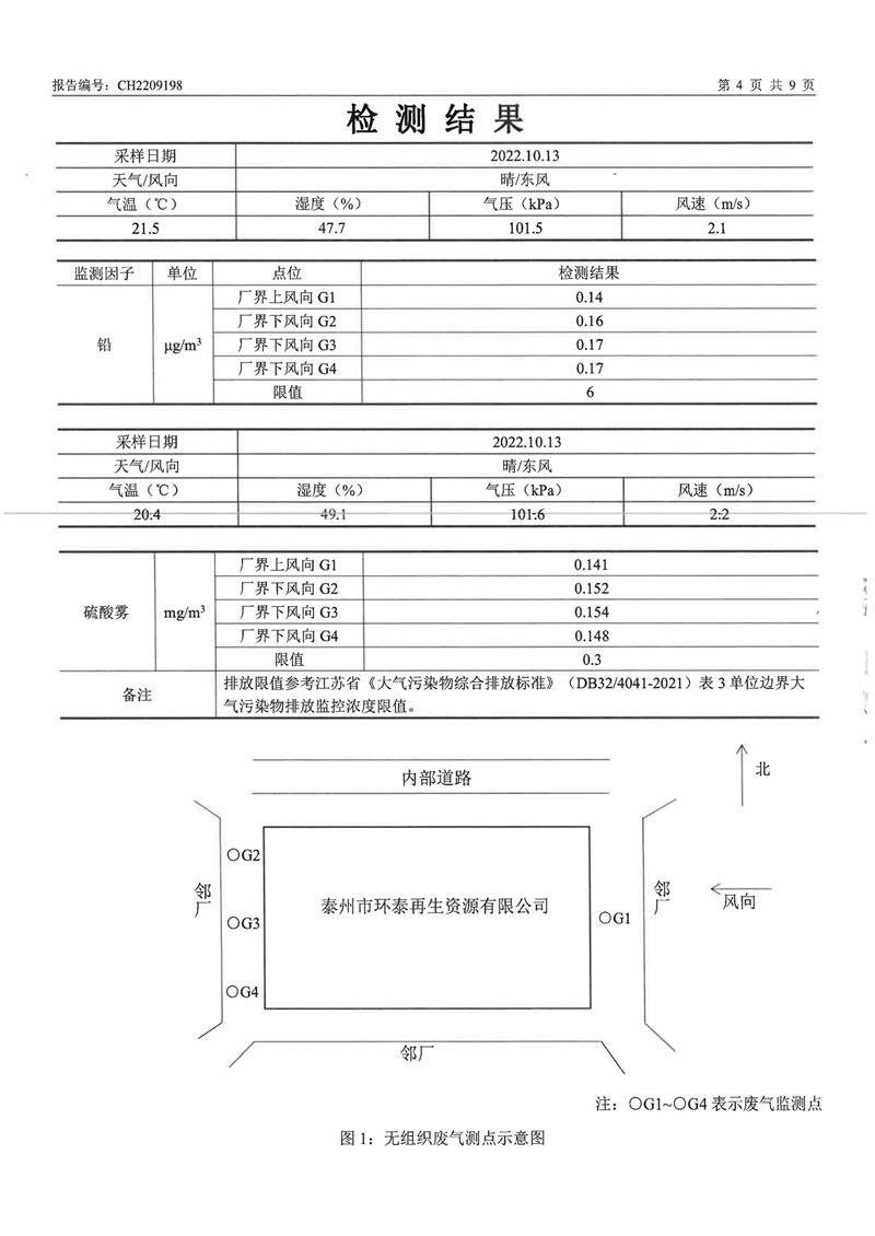
泰州市环泰再生资源有限公司2022年下半年自行检测报告
文章来源:http://www.tzhuantai.com
作者:管理员
发布时间:2022-10-29 00:00:00
浏览量:492
>上一篇:
泰州市环泰再生资源有限公司2021年度水气声检测报告
下一篇:
泰州市环泰再生资源有限公司2022年10月份半年度监测报告
13951628780
微信号:13951628780
微信二维码